EXTERIOR LIGHTING SYSTEM
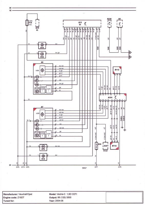
Wiring diagram showing AFL levelers and control module, this is taken from a Vectra C 1.9 CDTi spec but as the Vecy and Astra are close cousins there shouldnt be much difference
dont ask me questions on this stuff coz i`m NOT an electrician , i just happened across some bits and pieces and thought they mat be useful to someone
hopefully youl be able to see all the deets, although the board does resize
i have marked in red what i can see is relevant to AFL although there is prolly more that i know zip all about
PM me if ya need them in more detail and i`l e-mail them to you if needed
use at your own risk , i take no responsability in the frying of your electrics
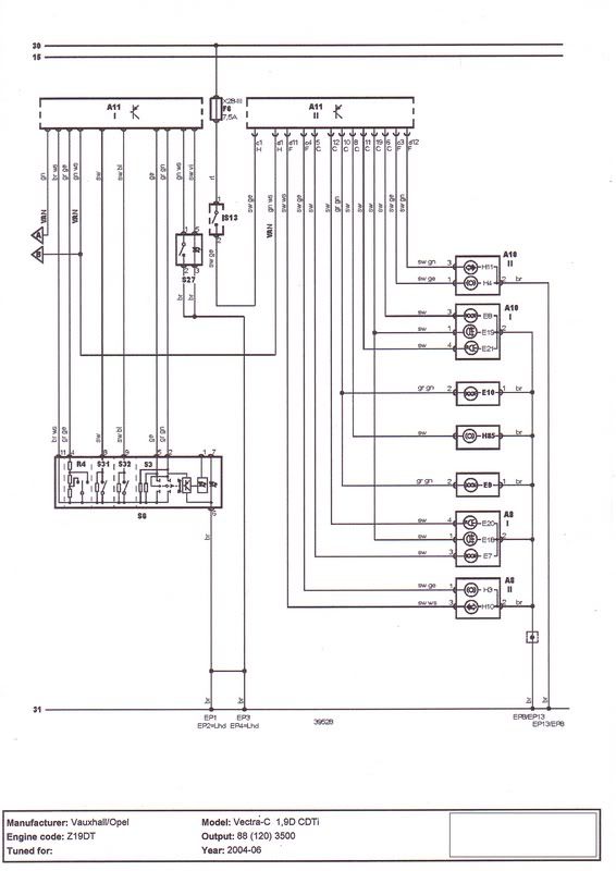
Wiring diagram showing AFL levelers and control module, this is taken from a Vectra C 1.9 CDTi spec but as the Vecy and Astra are close cousins there shouldnt be much difference
dont ask me questions on this stuff coz i`m NOT an electrician , i just happened across some bits and pieces and thought they mat be useful to someone
hopefully youl be able to see all the deets, although the board does resize
i have marked in red what i can see is relevant to AFL although there is prolly more that i know zip all about
PM me if ya need them in more detail and i`l e-mail them to you if needed
use at your own risk , i take no responsability in the frying of your electrics



